全国高端商务伴游私人订制,全国高端大圈经纪人联系方式,全国空降同城微信群,全国大圈纯出外围招聘
设为首页
表格下载
ENGLISH
中文
首页
概况公告
协会工作
政策法规
国际交流
国际模展
行业资讯
人才建设
质量标准
联系我们
协会简介
|
协会章程
|
协会制度及公告
|
组织结构
|
理事会
|
分支机构
|
领导成员
|
入会手续
|
协会通知
|
协会活动
|
图片新闻
|
视频新闻
|
专题报道
|
中国模具信息
|
基地建设
|
中国重点骨干模具企业
|
党建工作
|
政策法规
|
行业规划
|
相关文件
|
政策解读
|
国际会议
|
国际组织
|
出国展览
|
交流合作
|
中国国际模具技术和设备展览会
|
同期活动
|
《中国模具信息》在线预览
|
发展论坛
|
会员名录
|
新技术、信息化
|
国内外行业信息
|
国家级重点模具研究机构
|
模具标准
|
行业规划
|
中国模具专家介绍
|
企业专题活动
|
模具园区
|
国外行业信息
|
中国模协培训基地
|
培训信息
|
智库专家
|
国家级新产品
|
专项工作
|
中国模协T/CDMIA标准
|
精模奖 优秀供应商
|
模具标准及关联
|
专利成果
|
当前位置:
首页
>> 质量标准 >>
中国模协T/CDMIA标准
>>详细内容
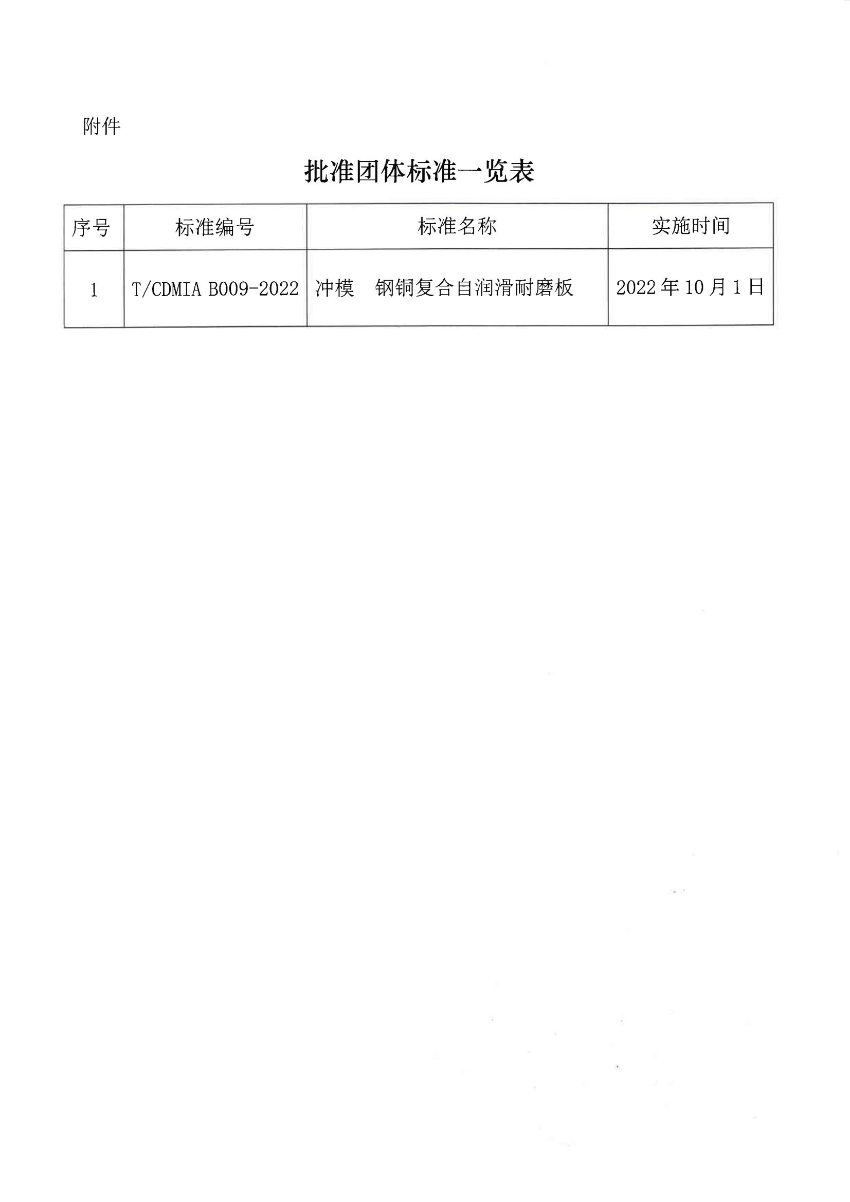
关于批准发布《冲模 钢铜复合自润滑耐磨板》团体标准的公告
来源:
时间:
2022-09-26 09:31
附件:
《冲模 钢铜复合自润滑耐磨板》.pdf
?
模具行业“十四五”发展纲要? ?100元/本? ? ?联系电话:010-88356463
更多
首页
|
协会概况
|
协会工作
|
联系我们
中国模具工业协会主办唯一官方网站
中国北京海淀区首体南路20号国兴家园四号楼505,506室 邮编: 100044
电话:010-88356463 传真:0086-10-88356461
电子邮件:
cdmia@cdmia.com.cn
网站:
http://www.w1354.cn
京公网安备11010802040758号
京ICP备17039305号-1
版权所有中国模具工业协会,未经同意请勿转载
主站蜘蛛池模板:
西乌珠穆沁旗
|
新密市
|
江达县
|
宁陕县
|
河池市
|
遂昌县
|
滕州市
|
屏山县
|
莆田市
|
钟祥市
|
甘洛县
|
靖远县
|
尤溪县
|
霍林郭勒市
|
鸡东县
|
舞阳县
|
莫力
|
青河县
|
双流县
|
临海市
|
贡觉县
|
台湾省
|
乌什县
|
揭西县
|
商南县
|
句容市
|
治县。
|
延川县
|
客服
|
体育
|
庄浪县
|
沈阳市
|
汝阳县
|
隆回县
|
涿州市
|
云和县
|
南投市
|
五河县
|
广汉市
|
德昌县
|
柳河县
|